Position Control Torque Reaction Arm w/o Screwdriver
Position Control Torque Reaction Arm
w/o Screwdriver
● Prompt users with icons and sounds, The position is correct to lock the screw.
● Spindle arm is rotatable 360°, And the small arm can also rotate about 325°, wide range of activities.
● Keep the advantages of Torque Reaction Arm:
Protects the wrist from stress, Effortless hanging tools and make sure 90° locked.
● Positioning accuracy: Angle encoder 0.09°
● Set the positioning tolerance and positioning delay according to the locking screw requirements.
● Tool requirements: Basic forward/reverse start, torque reach, two signals.
Position Control Torque Reaction Arm
w/o Screwdriver
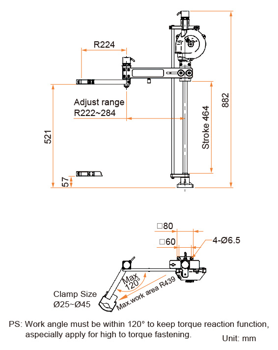
● Suggest Rotation Arm Angle (Interior angle): 0 - 120°
● Setting Place: General Indoor
● Working Temperature: 0°C - 40°C (No Freezing)
● Working Environment Humidity: 20% - 90% (No Freezing)

|
Model No. |
Max. Torque |
Vertical Travel |
Max. Working Area |
Clamp Capacity |
Voltage |
Overall Height |
Weight |
|||||
|
最大扭力 |
垂直行程 |
最大工作半徑 |
裸夾尺寸 |
電壓 |
總高 |
重量 |
||||||
|
kgf-cm |
Nm |
Inch |
mm |
Inch |
mm |
- |
- |
Inch |
mm |
kg |
||
|
STD-508A2 |
150 |
14.7 |
18.26 |
464 |
17.28 |
439 |
Ø25 - Ø45 |
100 - 240V |
34.72 |
882 |
7.8 |
|
STD-TC001 (Optional)
C Shaped Table Clamps

● Minimum Clamp Thickness: 13.5mm
● Maximum Clamp Thickness: 75mm
● Appearance Size: D90 x W98(top) 89(bottom) x H106 x T8